石河子共拷代理记账有限公司

医用离心电机

医用离心电机

  1.产品简介

  我公司研发生产的HC系列医用离心电机是额定电压为110/220V,频率为50/60Hz的单相串励电动机,既可在直流电源上使用,又可在单相交流电源上使用。根据电机输出功率的不同,有25W、40W、80W、90W四种电机可供客户选择。转速最高可达到16000rpm,我司可根据客户需求设计制造不同转速的电机。

  ①产品特点:产品具有力能指标好、噪音低、振动小、温升低、转速平稳度高、控制方便等诸多优点。电机使用电源范围宽,可适应不同地区不同电压要求。

  ②应用范围:产品主要用于离心式仪器,作为医疗化验检测之用。

  ③使用说明:

  A.电机绝缘等级为B级;

  B.电机的旋转方向可按用户要求生产;

  C.引出线的引线颜色、规格和长度可按客户要求生产;

  D.输出轴的长短可以按客户要求设计制作;

  E.工作电压及频率可按客户要求生产。

  2.技术参数

型号额定电压频率额定电流输出功率转速
HC25220V50Hz0.4A25W4000
HC40220V50/60Hz0.6A40W4000

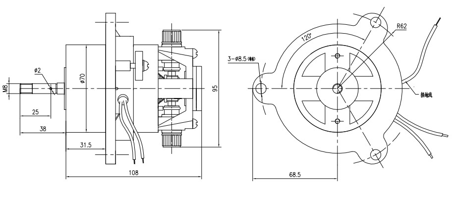
  3.外形尺寸图

25W医用离心电机结构图纸
25W医用离心电机结构图纸

40W医用离心电机结构图纸
40W医用离心电机结构图纸

电话

7×24小时服务热线 0574-28825866

返回 顶部
主站蜘蛛池模板: 浠水县| 巴东县| 万安县| 贵定县| 武威市| 丹寨县| 邯郸市| 城步| 嫩江县| 巨鹿县| 津市市| 西宁市| 七台河市| 仪陇县| 新河县| 中阳县| 广元市| 泽库县| 科技| 茶陵县| 正安县| 喀喇沁旗| 神农架林区| 阜康市| 苏州市| 吉安县| 清新县| 师宗县| 平凉市| 清远市| 横峰县| 平南县| 冷水江市| 高要市| 临邑县| 平邑县| 宜兰县| 喀喇| 双桥区| 雷山县| 清涧县|