EC离心风机280mm
产品详情
1.产品简介
?、傩秃牛篍CB280A230
?、诘缁嘈停篍C
?、鄄牧希郝?/p>
④认证:CCC CE
⑤绝缘等级:F
⑥工作温度:-20 —+50°
2.技术参数
| 额定电压 | 输入功率 | 频率 | 转速 | 风量 |
| 230 | 180 | 50/60 | 2174 | 1965 |
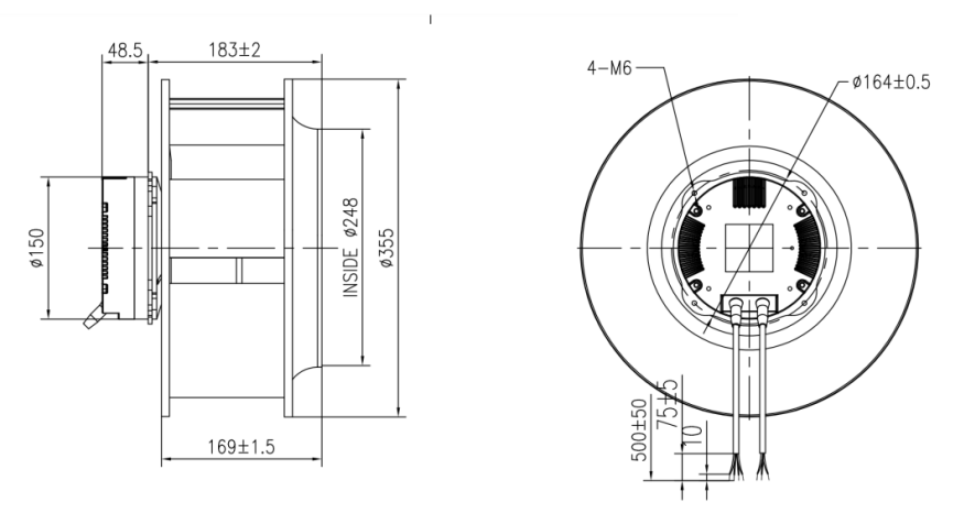
3.外形尺寸图

4.风量风压曲线图

上一页:EC离心风机250mm
下一页:EC后倾式离心风机310mm

1.产品简介
?、傩秃牛篍CB280A230
?、诘缁嘈停篍C
?、鄄牧希郝?/p>
④认证:CCC CE
⑤绝缘等级:F
⑥工作温度:-20 —+50°
2.技术参数
| 额定电压 | 输入功率 | 频率 | 转速 | 风量 |
| 230 | 180 | 50/60 | 2174 | 1965 |
3.外形尺寸图

4.风量风压曲线图

上一页:EC离心风机250mm
下一页:EC后倾式离心风机310mm
7×24小时服务热线 0574-28825866