圆框外转子轴流风机
产品详情
1.产品简介
该款圆框外转子轴流风机由额定电压为220V的单相电容运转电机和380V的三相异步运转电机组成。有4极和6极两种电机极数。4极电机的最大风量为每小时10850立方米,6极则为每小时8100立方米。风机风叶经过机械化模具冲压并经喷塑处理,采用微机控制动平衡校验,平衡精度高,运行平稳,且各项性能指标在工厂内控制标准中的控制要求高于风机行业标准,能确保风机长期稳定地运行。根据电机使用环境温度的不同,有B级和F级绝缘等级供客户选择。产品适用于消防排烟风机、边墙风机和其他通风设备上,是宾馆、医院、展览馆、机场大厅等公共场所和高层建筑通风排烟的理想产品。
狮球外转子轴流风机的分类、行业应用、结构特点、设计选用说明、风机型号说明、产品认证等信息详见:外转子轴流风机YWF系列产品概述
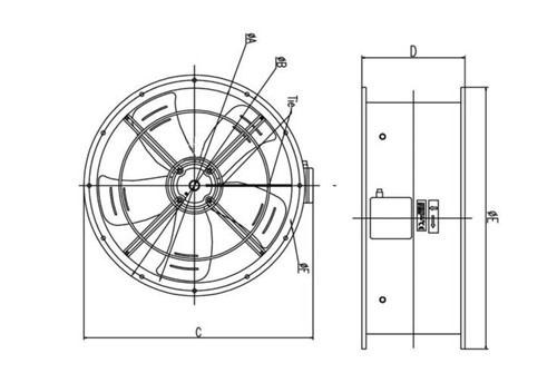
2.技术参数
| 型号 | A | B | C | D | E | F |
| YWFXX315XD | 323 | 355 | 420 | 180 | 390 | 9-8 |
| YWFFXX350XD | 355 | 395 | 453 | 210 | 425 | 9-12 |
| YWFXX400XD | 410 | 450 | 495 | 195 | 475 | 9-12 |
| YWFXX450XD | 460 | 490 | 560 | 195 | 525 | 9-12 |
| YWFXX500XD | 510 | 550 | 605 | 250 | 575 | 9-12 |
| YWFXX550XD | 560 | 605 | 574 | 250 | 635 | 11-16 |
| YWFXX630XD | 640 | 683 | 738 | 250 | 710 | 11-16 |
| YWFXX710XD | 725 | 800 | 850 | 270 | 850 | 11-16 |
| YWFXX800XD | 815 | 900 | 950 | 280 | 950 | 11-16 |
| YWFXX900XD | 920 | 1000 | 1050 | 280 | 1050 | 11-16 |
3.外形尺寸

上一页:塑料风叶高效节能外转子轴流风机
下一页:塑壳管道离心风机CDF100







