外转子轴流风机YWF250
产品详情
1. 产品简介
轴流式风机是与风叶的轴同方向气流运行的风机,通常用于流量要求更高而压力要求较低的场合,同时轴流式风机固定位置并使空气移动。YWF250风机和200mm的风机一样是一种局部通风设备,有120V、220V、380V三种额定电压可供选择,可以满足不同国家的电压使用要求,适用性较强。该产品具有5个叶片,噪声低、结构合理、体积小、安装方便。该系列产品的最高转速达到2850RPM,最大风量为1050㎡/h,适合房间紧凑型用户的使用需求。我们的产品具有尺寸设计合理,可以有效节省空间。根据风向的不同,有吹风和吸风之分,客户在选购之前请详细告知产品的应用领域,欢迎有需求的用户前来选购。
狮球外转子轴流风机的分类、行业应用、结构特点、设计选用说明、风机型号说明、产品认证等信息详见:外转子轴流风机YWF系列产品概述
2.技术参数
| 型号 | 额定电压 | 频率 | 额定电流 | 输入功率 | 速度 | 最大风量 | 电容 | 噪音 | 曲线 |
| YWF2E250 | 230 | 50/60 | 0.39/0.51 | 85/110 | 2400/2450 | 1300/1470 | 3 | 54/56 | ①② |
| YWF2D250 | 400 Y | 50/60 | 0.19/0.22 | 100/125 | 2200/2300 | 1300/1470 | / | 54/56 | |
| YWF4E250 | 230 | 50/60 | 0.24/0.27 | 52/64 | 1370/1600 | 1100/1250 | 2 | 50/51 | ③④ |
| YWF4D250 | 400 Y | 50/60 | 0.24/0.18 | 60/65 | 1400/1600 | 1100/1250 | / | 50/51 | |
| YWF4D250 | 110 | 60 | 0.48 | 55 | 1550 | 1250 | 6 | 51 | ④ |
| YWF4D250 | 380 | 50 | 0.2 | 65 | 1400 | 1040 | / | 50 | |
| YWF4E250 | 220 | 50 | 0.25 | 55 | 1360 | 1040 | 2 | 50 |
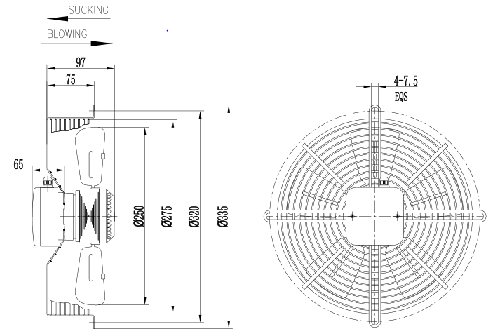
3.外形尺寸图

4 风量风压曲线图


上一页:外转子轴流风机YWF200
下一页:外转子轴流风机YWF300







