EC轴流风机350mm
产品详情
1.产品简介
型号:ECG350A230
电机类型:EC
材料:风轮:PA66 塑料;转子:钢板
防护等级:IP44
绝缘等级:F
认证:CCC CE
安装方式:任意
工作温度:-20 - +50°
控制方式:0-10V/PWM/RS-485
转速输出
电子保护:过压/堵转
2.技术参数
| 电压 | 输入功率 | 频率 | 速度 | 输入电流 | 风量 |
| AC 1~200~270 | 142 | 50/60 | 1500 | 1.32 | 3310 |
| AC 1~100~130 | 142 | 50/60 | 1500 | 2.64 | 3310 |
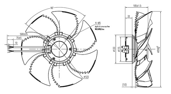
3.外形尺寸图

4.风量风压曲线图

| No. | 频率 | 电流 | 功率 | 转速 | 风量 | 静压 |
| (Hz) | (A) | (W) | (r/min) | (m3/h) | (Static Pa) | |
| 1 | 50 | 0.74 | 89 | 1100 | 1635 | 60 |
| 2 | 50 | 0.68 | 80 | 1100 | 1986 | 40 |
| 3 | 50 | 0.61 | 71 | 1100 | 2237 | 21 |
| 4 | 50 | 0.55 | 63 | 1100 | 2500 | 0 |
| 5 | 50 | 1.30 | 166 | 1300 | 2419 | 73 |
| 6 | 50 | 1.25 | 158 | 1300 | 2580 | 61 |
| 7 | 50 | 1.17 | 148 | 1300 | 2791 | 41 |
| 8 | 50 | 1.08 | 133 | 1300 | 2992 | 20 |
| 9 | 50 | 0.99 | 122 | 1300 | 3172 | 0 |
| 10 | 50 | 1.32 | 166 | 1500 | 2926 | 42 |
| 11 | 50 | 1.25 | 156 | 1500 | 3139 | 21 |
| 12 | 50 | 1.14 | 142 | 1500 | 3310 | 0 |
*输入电压 AC 1~220V
上一页:EC轴流风机300mm
下一页:EC轴流风机400mm







