单进风前倾式蜗壳离心风机YWFF180
产品详情
1.产品简介
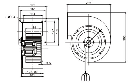
①性能参数:风轮直径为180mm,额定电压115V和230V两种,频率为50/60HZ,最大风量可达到890m3/h/和720m3/h。
②组成部件:高效外转子交流电机、镀锌钢板蜗壳、多翼前倾式离心叶轮、免维护深沟球滚珠轴承、静电粉末喷塑转子。
③技术特性:IP54或IP44防护等级,B级或F级绝缘等级,S1连续运作模式,可任意安装,内置过载热保护,美国UL和欧洲CE产品认证。
④特点优势:具有使用寿命长、免维护、高效率、低功耗,高经济性、设计紧凑、节省空间、美观、低压启动等特点。
⑤产品用途:广泛用于各种通风柜、风机箱、抽油烟机、工业制冷系统、除尘机组等配套使用。
单进风前倾式离心风机根据风机外形可分为蜗壳前倾式离心风机和常规前倾式离心风机两种。蜗壳前倾式离心风机共有120mm、133mm、140mm、150mm、160mm、180mm等六种,常规前倾式离心风机有200mm、225mm、250mm、280mm、315mm、355mm、400mm、450mm等八种。
前一种风机主要采用镀锌钢板或不锈钢板制成的蜗壳壳体、过载热保护外转子电机、高效离心叶轮等三部分组成,主要与各种通风柜、风机箱、抽油烟机、工业制冷系统、除尘机组等配套使用。后一种风机由多翼前倾式离心叶轮和带有过载热保护外转子的电机组成,多用于各种中央空调、新风系统、空气净化过滤设备、管道通风设备等。
狮球离心风机的分类、产品应用、风机结构、设计选用说明、风机型号说明、产品认证详见:外转子离心风机YWF系列产品概述
2.技术参数
| 型号 | 额定电压 | 频率 | 额定电流 | 输入功率 | 转速 | 最大风量 | 电容 | 噪音 | 曲线 |
| YWFF4E180L | 230 | 50/60 | 0.54/0.68 | 125/155 | 1140/1130 | 720/714 | 4 | 66/68 | ①② |
| YWFF4E180H | 115 | 60 | 1.8 | 210 | 1550 | 890 | 16 | 70 | ③ |
4.外形尺寸图

3.风量风压曲线图

下一页:EC轴流风机250mm







