后倾式离心风机YWFB280
1.产品简介
①性能参数:产品额定电压有115V、120V、230V等三种,额定电流范围在0.3~3A左右,输入功率有78/102W,190及380W等,可提供最大达2000m3的风量,产生的噪音一般低于70dB(A)。
②组成部件:高效外转子交流电机、镀锌钢板叶轮、免维护深沟球滚珠轴承、静电粉末喷塑转子
③技术特性:11块叶片风轮,IP54或IP44防护等级,B级或F级绝缘等级,S1连续运作模式,可任意安装,内置过载热保护,美国UL和欧洲CE产品认证
④产品特点:具有使用寿命长、免维护、高效率、低功耗,高经济性,设计紧凑,节省空间,美观,低压启动等特点。
⑤安装方式:标准安装方式为轴与地面平行安装或者转子在下,也可以根据客户需要转子在上面。
⑥产品应用:适用于对噪音要求严的环境及空调系统,如与工业制冷系统、新风系统、厨卫风机、消防风机、通信设备散热器、小型冷凝机组、空气净化器、空气过滤器、屋顶风机、工业设备散热、冷风机组、模块机组、空调天花机等设备配套使用。
后倾式离心风机由过载热保护外转子电机、高效后倾式圆弧形离心叶轮两部分组成。叶轮全部采用模具化生产,经精密动平衡机器高速校验,具有体积小,效率高,风量大,振动小,噪音低,性能优越,安装调试方便等优点,是空调、净化、冷冻行业较理想的配套产品。广泛适用于宾馆、饭店、学校、工厂等场所和民用、工业建筑的通风换气。
狮球离心风机的分类、产品应用、风机结构、设计选用说明、风机型号说明、产品认证详见:外转子离心风机YWF系列产品概述
2.技术参数
| 型号 | 额定电压 | 频率 | 额定电流 | 输入功率 | 转速 | 最大风量 | 电容 | 噪音 | 曲线 |
| YWFB2E280 | 230 | 50 | 0.85 | 190 | 2450 | 1900 | 5 | 67 | ① |
| YWFB2E280H | 120 | 60 | 3.1 | 380 | 3100 | 2050 | 30 | 85 | ② |
| YWFB4E280 | 230 | 50/60 | 0.36/0.46 | 78/102 | 1420/1630 | 1400/1600 | 3 | 62/67 | ③④ |
| 115 | 50/60 | 0.72/0.92 | 78/102 | 1420/1630 | 1400/1600 | 12 | 62/67 |
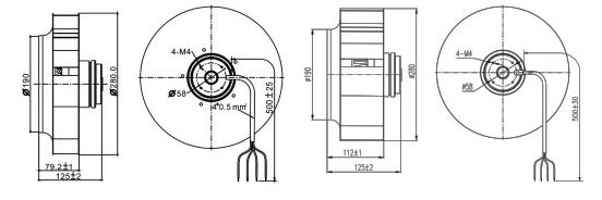
3.外形尺寸图

4.风量风压曲线图

上一页:后倾式离心风机YWFB250
下一页:后倾式离心风机YWFB310







