后倾式离心风机YWFB190
产品详情
1.产品简介
①性能参数:
②组成部件:高效外转子交流电机、PA66增强塑料叶轮、免维护深沟球滚珠轴承、静电粉末喷塑转子。
③技术特性:7或16块叶片风轮,IP54或IP44防护等级,B级或F级绝缘等级,S1连续运作模式,可任意安装,内置过载热保护,美国UL和欧洲CE产品认证。
④产品特点:具有使用寿命长、免维护、高效率、低功耗,高经济性,设计紧凑,节省空间,美观,低压启动等特点。
⑤安装方式:标准安装方式为轴与地面平行安装或者转子在下,也可以根据客户需要转子在上面。
⑥产品应用:适用于对噪音要求严的环境及空调系统,如与工业制冷系统、新风系统、厨卫风机、消防风机、通信设备散热器、小型冷凝机组、空气净化器、空气过滤器、屋顶风机、工业设备散热、冷风机组、模块机组、空调天花机等设备配套使用。
后倾式离心风机由过载热保护外转子电机、高效后倾式圆弧形离心叶轮两部分组成。叶轮全部采用模具化生产,经精密动平衡机器高速校验,具有体积小,效率高,风量大,振动小,噪音低,性能优越,安装调试方便等优点,是空调、净化、冷冻行业较理想的配套产品。广泛适用于宾馆、饭店、学校、工厂等场所和民用、工业建筑的通风换气。
狮球离心风机的分类、产品应用、风机结构、设计选用说明、风机型号说明、产品认证详见:外转子离心风机YWF系列产品概述
2.技术参数
| 型号 | 额定电压 | 频率 | 额定电流 | 输入功率 | 转速 | 最大风量 | 电容 | 噪音 | 曲线 |
| YWFB2E190 | 230 | 50/60 | 0.30/0.35 | 65/80 | 2400/2600 | 530/580 | 2 | 62/64 | ①② |
| 115 | 50/60 | 0.8 | 70/90 | 2700 | 570/620 | 5 | 63/65 | ③④ |
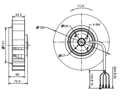
3.外形尺寸图

4.风量风压曲线图

上一页:后倾式离心风机YWFB180
下一页:后倾式离心风机YWFB220







