单进风前倾式离心风机YWFF315
1.产品简介
①性能参数:风轮直径315mm,由4极和6极额定电压为230/400V,频率50Hz,分单相电容运转和三相异步运转电机组成,最大风量为4300m3/h,输入功率为1400W和930W,启动功率大。
②组成部件:高效外转子交流电机、镀锌钢板材质多翼前倾式离心叶轮、免维护深沟球滚珠轴承、静电粉末喷塑转子。
?、奂际跆匦裕篒P54或IP44防护等级,B级或F级绝缘等级,S1连续运作模式,可生产双电压电机,内置过载热?;?,美国UL和欧洲CE产品认证。
④产品特点:具有使用寿命长、免维护、高效节能、运行稳定可靠、安装方便等特点。
?、莶酚τ茫菏视糜谥醒肟盏?、新风系统、空气净化过滤设备、管道通风设备等,作为通风换气的理想产品。
单进风前倾式离心风机根据风机外形可分为蜗壳前倾式离心风机和常规前倾式离心风机两种。蜗壳前倾式离心风机共有120mm、133mm、140mm、150mm、160mm、180mm等六种。常规前倾式离心风机有200mm、225mm、250mm、280mm、315mm、355mm、400mm、450mm等八种。
前一种风机主要有用镀锌钢板或不锈钢板制成的蜗壳壳体、过载热保护外转子电机、高效离心叶轮三部分组成。后一种由多翼前倾式离心叶轮和带有过载热?;ね庾拥牡缁槌?。前一种电机主要与各种通风柜、风机箱、抽油烟机、工业制冷系统、除尘机组等配套使用。后一种用于中央空调、新风系统、空气净化过滤设备、管道通风设备等。
狮球离心风机的分类、产品应用、风机结构、设计选用说明、风机型号说明、产品认证详见:外转子离心风机YWF系列产品概述
2.技术参数
| 型号 | 额定电压 | 频率 | 额定电流 | 输入功率 | 转速 | 最低可使用静压 | 风量 | 电容 | 噪音 | 曲线 |
| YWFF4E315 | 230 | 50 | 8.8 | 2 | 1400 | 200 | 4300 | 50 | 83 | ① |
| YWFF4D315 | Δ230/400Y | 50 | 6.6/3.9 | 2 | 1400 | 200 | 4300 | / | 83 | ① |
| YWFF6E315 | 230 | 50 | 3.1 | 0.72 | 930 | 50 | 3400 | 12 | 73 | ② |
| YWFF6D315 | Δ230/400Y | 50 | 3.2/1.9 | 0.73 | 930 | 50 | 3400 | / | 73 | ③ |
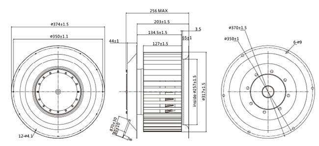
3.外形尺寸图

4.风量风压曲线图









