DC离心风机220mm
产品详情
1.产品简介
①型号:DCB220
②电机类型:DC
③材料:铝
④认证:CCC CE
⑤绝缘等级:B
⑥工作温度:-20—+50°
2.技术参数
| 额定电压(V) | 输入功率(W) | 额定电流(A) | 转速(r/min) | 转向 |
| DCB220D24 | 110 | 5.0 | 3000 | 77 |
| DCB220D48 | 110 | 2.5 | 3000 | 77 |
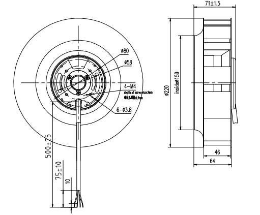
3.外形尺寸图

4.风量风压曲线图

上一页:DC离心风机190mm
下一页:DC离心风机225mm

1.产品简介
①型号:DCB220
②电机类型:DC
③材料:铝
④认证:CCC CE
⑤绝缘等级:B
⑥工作温度:-20—+50°
2.技术参数
| 额定电压(V) | 输入功率(W) | 额定电流(A) | 转速(r/min) | 转向 |
| DCB220D24 | 110 | 5.0 | 3000 | 77 |
| DCB220D48 | 110 | 2.5 | 3000 | 77 |
3.外形尺寸图

4.风量风压曲线图

上一页:DC离心风机190mm
下一页:DC离心风机225mm
7×24小时服务热线 0574-28825866