EC无刷直流电机
产品详情
1.产品简介
电机类型:三相永磁直流无刷电动机
电机型号:ECU4-50
额定转速(r/min):400-2000
负载风叶:根据客户选型154-340均可
电机转向:CCW或者CW (从出轴端看)
安装方式:水平或垂直安装,或介于-90°~0°之间带配件安装:
1.脚螺丝支架安装
2.网罩/框架安装
3.基座螺柱支架安装
出风方向:吹/吸风
电机?;ば问剑嚎刂破鞅;?/p>
防护等级:IP67
工作方式:连续运行S1
适用工作环境温度:-30 ~ +50℃
轴承:免维护滚珠轴承
2.技术参数

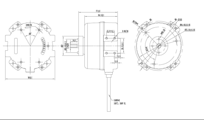
3.外形尺寸图

4.风量风压曲线图

上一页:EC无蜗壳离心风机630mm
下一页:ECM贯流风机







