石河子共拷代理记账有限公司

EC节能电机M08

产品详情

1.产品简介

  狮球全新一代ECM产品是取代罩极电机的高效电机,相比同类产品具备更高的效能,更低的成本及提供更安静环境。在尺寸和安装方式上兼容罩极电机,体积和温升更小,具备多种材料可供客户选择(塑料、铝),防护等级达到IP65,通过多项安全认证(VDE、UL、CE、CCC)

  -效率达到65%

  -速度不受电压波动

  -滚珠轴承润滑,运行平稳

  -内置电子控制器,具备过载和堵转保护

  -可替代常规交流感应电机

  -提供5V,12V,24V,115V,127V,和230V

  -可以控制正反转,双速,调速,调速区间(400-2200rpm)

  -工作温度-20℃~+50℃,特殊定制:-40℃~+70℃

2.应用范围

  超市商业冷柜与冰箱

  饮料自动售货机

  制冰机

  家用冰箱

3.技术参数

型号额定电压频率额定电流转速输入功率/输出功率
ECM08A1101~110V50/600.16155011/7

4.风量测试

序号型号轴向叶轮直径轴向叶轮叶片角输入功率
1ECM08154224.0
2ECM08154284.8
3ECM08154346.8
4ECM08172285.5
5ECM08172317.1
6ECM08172347.6
7ECM08200226.2

﹡ 转速 = 1550RPM

EC节能电机M08风量曲线图1


EC节能电机M08风量曲线图2

5.电机噪音值估测

EC节能电机M08噪音值估测图

6.EC电机控制模式

EC节能电机M08控制模式图

7.手机远程

EC节能电机M08手机远程控制图

  使用手机APP软件来控制ECQ,ECM系列电机,可以实现如下功能:

  控制电机正反转

  远程控制速度

  实现可编程的调速曲线

  可连接传感器信号

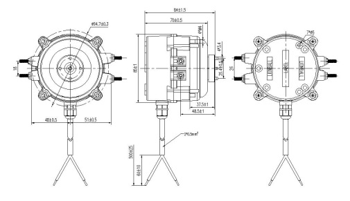
8.外形尺寸图

EC节能电机M08外形尺寸图
电话

7×24小时服务热线 0574-28825866

返回 顶部
主站蜘蛛池模板: 沙坪坝区| 阿克| 元阳县| 伊通| 巴东县| 扶沟县| 浦北县| 惠水县| 青海省| 景洪市| 柏乡县| 都安| 调兵山市| 阿合奇县| 江孜县| 德江县| 合肥市| 天水市| 叶城县| 揭东县| 丽水市| 大庆市| 水城县| 壶关县| 鄂托克旗| 濮阳市| 成武县| 当阳市| 彰化县| 营口市| 乌什县| 阿尔山市| 静海县| 宿松县| 兴和县| 雷山县| 林西县| 南岸区| 济源市| 河源市| 昌江|