石河子共拷代理记账有限公司

空调离心风机

空调离心风机

产品概述

  空调离心风机是空调系统中不可或缺的关键组件之一。它通过离心力将空气抽入风机,并通过旋转叶轮将空气加速,然后将其送入空调系统中。其独特的设计结构使其能够以高效、节能的方式提供稳定的空气流动。该产品具有多种应用场景,如商业建筑、工业设施、医疗机构、住宅等。除了被用于冷却、加热和通风系统中为室内提供舒适的环境外,还广泛用于空气净化机组、冷暖风机及工矿企业上。本类风机可根据需求提供不同的风量和静压,以适应各种类型的空调系统要求。

工作原理

  以制冷型空调风机为例,从压缩机出来的高温高压制冷蒸汽通过高压软管进入冷凝器,由于室外温度低于进入冷凝器的制冷剂温度,借助于冷凝风扇的作用,在冷凝器中流动的制冷剂的大部分热量被室外空气带走,从而高温高压气体被冷凝成高温高压的液体。这种高温高压液体流过节流膨胀阀时,由于节流作用,体积突然变大而降压,变成低压低温的雾状液体进入蒸发器,并在定压下汽化,由于制冷剂在管内汽化时的温度低于蒸发器管外的车内循环风,故它能吸收管外空气中的热量,从而使流经蒸发器的空气温度降低,从而产生制冷降温效果,汽化了的制冷蒸汽被压缩机抽吸压缩,变成高温高压气体,完成一个制冷系统的循环。

空调离心风机工作原理图

产品优势

  由于空调类型的多种多样,并不是所有的都会采用离心风机,有些会使用轴流风机。不过与轴流风机相比,空调离心风机主要有以下优势:

  1.静压能力更强:风机能够产生更大的正压或负压,适用于需要长距离送风或克服管道阻力的应用。

  2.适用范围更广:可根据需要提供不同的风量和静压,能用于各种空调系统,适应多种应用场景。

  3.空间利用率高:在相同风量下,其体积相对较小,更适合在机房、地下室等空间有限的环境中使用。

  4.噪音控制出色:其独特的设计结构能够减少噪音和振动的产生,从而提供更为安静的工作环境。

外转子空调离心风机

技术参数

  以型号YWFB4E500的风机为例,其主要产品参数如下:

  类型:后倾式离心风机

  品牌:狮球LIONBALL

  叶轮:增强塑料

  转子:镀锌钢板/不锈钢板

  防护等级:IP44/IP54

  绝缘等级:B/F

  认证:CCC CE

  安装方式:任意

  工作温度:-20~+50℃

  控制方式:0-10V/PWM/RS-485

  电子保护:过压/堵转

  额定电压:230V

  工作频率:50Hz

  输入功率:1560W

  电机转速:1340RPM

  最大风量:7680M3/H

  噪音:82dB

后倾式空调离心风机

结构组成

  空调离心风机主要由室外机和室内机这两个部分组成。其中室外机主要负责的是制冷或制热,而室内机则是将冷气或热气输送到室内,并通过管道将室内的热空气或冷空气搬运到室外,从而达到降温或升温的效果。

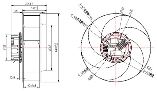
空调离心风机结构尺寸图

安装说明

  1.在安装空调离心风机前,一定要先检查风机的完整性,比如叶轮、机壳、进风口、支架、电机、皮带轮、联轴器、消音器、传动件(轴承)等元件是否齐全。还有就是注意检查这些元件是否又损坏变形的现象,如果直接安装这些损坏的元件,将会给风机的质量带来巨大的影响。

  2.在安装的时候,为了防止安全事故的发生,注意风机的一些装置是必须要安装的,比如风机底座有直接安装在基础上和安装在减震装置上两种。

  3.如果对安装的过程不了解,较好先熟读安装说明书,如果还是不懂的话,就要请专业的安装人员来了。

中央空调离心风机

价格行情

  空调离心风机的市场价格因多种因素影响而有较大差异,如型号、规格、品牌、销售渠道等。通常单台价格在二三百元至一千元以上。其中较小型号、低风量、低静压、普通或低端品牌的风机价格较低,一般只卖几百元左右一台。而较大型号、高风量、高静压、知名品牌的风机价格可高达数千元一台。注意实际价格可能会受到市场供需、地区差异和个别销售商的具体定价等因素影响。购买时建议与专业供应商联系,以获得最新准确的报价。

后倾式空调离心风机

厂家简介

  狮球是一家专注于各种用途风机(如空调用离心式风机)与电机等产品的研发、制造和销售的高新技术企业。拥有ISO9001质量管理体系认证和ISO14001环境管理体系认证。产品广泛应用于通风、空调、制冷、医疗、新风、空气净化、新能源、汽车配件和家用电器等行业领域。“狮球”品牌在行业中享有较高知名度。公司主要产品通过了德国VDE、美国UL、欧洲CE和ROHS及中国CCC认证。与EMERSON(艾默生)和PANASONIC(松下)等世界知名企业有着紧密的合作关系。

推荐阅读

  离心风机在空调中的应用

  空调离心风机应该如何安装(方法介绍)

  空调离心风机的主要功能有哪些?

  空调离心风机的组成和原理

  空调离心风机的原理和功能

上一篇:直流离心风机

下一篇:取暖器电机

电话

7×24小时服务热线 0574-28825866

返回 顶部
主站蜘蛛池模板: 博湖县| 阿荣旗| 资源县| 工布江达县| 阿拉尔市| 宝鸡市| 嘉黎县| 大洼县| 天津市| 鄂托克旗| 金湖县| 天水市| 凤山县| 玛纳斯县| 阿坝| 玉树县| 临泉县| 南城县| 来安县| 阳春市| 慈溪市| 恩施市| 商河县| 定兴县| 涟源市| 霸州市| 濮阳市| 班戈县| 郎溪县| 阿鲁科尔沁旗| 新蔡县| 宾川县| 上犹县| 闵行区| 商水县| 康马县| 邹平县| 辽阳市| 新宁县| 砚山县| 罗田县|