
通风、空调和制冷系统的正常使用往往离不开风机,风机的种类很多,管道离心风机是其中比较常用的一类,和其他的风机种类相比,它有着自己的结构和性能,这些独特的结构和性能使得它有自己的使用场景,为了让大家刚好的认识此风机,今天宁波狮球通风机电有限公司的工作人员详细的讲讲它的结构和性能。
结构特点
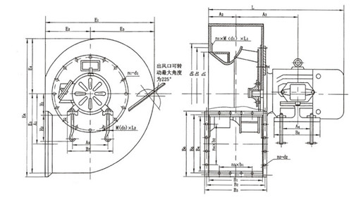
叶轮、通常由多个前向圆弧铝合金叶片组成,叶轮设计影响风机的性能和效率。
机壳、一般由镀锌钢板或不锈钢板制成,结构牢固且紧凑。
电机支座、通常由镀锌钢板制成,并通过机械化模具制作成形。
电机、多采用单支撑外旋电机,叶轮固定在电机外壳上,电机支撑端固定在电机支座上。
传动部分、包括主轴、轴承箱、滚动轴承及皮带轮(或联轴器)等。
进出口、设计为方形,可直接与风管联接,便于安装。
性能特点
高效性能、采用新的叶轮设计和制造工艺,提供高风量和压力输出。
低噪音、使用低噪音电机和优化的气动设计,降低噪音污染。
易于维护、结构简单,拆卸方便,维护和清洁较为容易。
运行平稳、经过动、静平衡校正,确保运转稳定可靠。
适应性强、能够适应不同通风要求,并在长距离管道气流中表现出色。
空间利用率高、结构紧凑,安装方式灵活,适合空间受限的场合。

工作原理
管道离心风机基于离心力和动能转换原理工作,通过旋转叶轮吸入空气并以离心方式排出,产生气流。
性能参数
流量、单位时间内通过风机的空气体积。
全压、单位体积气体通过风机后能量增加值,包括动压和静压。
风压、指气体在风机内压力的升高值。
防止喘振措施
使用性能曲线平直向下倾斜的风机。
选择平坦型风机,斜度为8%~12%,适用于流量变化大而要求能头变化小的场合。
管道离心风机有着自己的结构和性能,尤其是其高效、低噪音和容易维护的特点,使得它不仅在商业通风系统中得到应用,甚至很多的工厂也会安排它来通风。希望上文内容介绍,可以让大家对此类风机有更多了解。
下一篇:EC节能电机坏了维修费用怎么算?
离心风机噪音过高的解决方法(实例) 2015-04-21
简述医用离心电机在医院中的应用 2019-11-29
直流离心风机 2024-12-27
采购DC离心风机需货比三家 2021-08-09
离心风机滚动轴承震动异常原因、诊断和处理方法 2024-01-04
蜗壳离心风机的选购方法和考虑因素 2023-06-29
空调离心风机 2024-12-27
离心风机的工作原理及性能参数 2023-08-04
除湿机风机 2024-11-25
空气过滤风机的核心结构、工作原理、性能优势及选型要点 2025-11-047×24小时服务热线 0574-28825866